GB
×
ROVER
▼Passenger
Commercial
Motorbikes
ACURA
ALFA ROMEO
ALPINA
AUDI
BENTLEY
BMW
BUICK
BYD
CADILLAC
CHERY
CHEVROLET
CHRYSLER
CITROËN
DACIA
DAEWOO
DAIHATSU
DODGE
FERRARI
FIAT
FORD
FORD USA
GAZ
GEELY
GMC
HOLDEN
HONDA
HONGQI
HYUNDAI
ISUZU
JEEP
KIA
LADA
LAND ROVER
LIXIANG
MAXUS
MAZDA
MERCEDES-BENZ
MINI
MITSUBISHI
NISSAN
OPEL
PEUGEOT
PORSCHE
RENAULT
SAAB
SEAT
SKODA
SMART
SUBARU
SUZUKI
TESLA
TOYOTA
VAUXHALL
VOLVO
VW
ABARTH
AC
AEOLUS
AIXAM
ALPINE
ALVIS
ANFINI
ASTON MARTIN
AUSTIN
AUSTIN-HEALEY
AUTO UNION
AUTOBIANCHI
AVANTI
BAIC
BAW
BEDFORD
BRABUS
BRILLIANCE
BRISTOL
BUGATTI
CASALINI
CENNTRO
CHANA
CMC
CNJ
CUPRA
DAF
DAIMLER
DATSUN
DE TOMASO
DR
DS
EFFA
FAW
FSO
GENESIS
GINETTA
GLAS
GOUPIL
GREAT WALL
GURGEL
HAFEI
HAVAL
HILLMAN
HSV
HUMMER
INFINITI
IVECO
JAC
JAGUAR
JENSEN
JSA
LAMBORGHINI
LANCIA
LEAPMOTOR
LEXUS
LIFAN
LIGIER
LINCOLN
LOTUS
LYNK & CO
MAHINDRA
MAN
MASERATI
MCLAREN
MERCURY
MG
MOSKVICH
NIO
OLDSMOBILE
PIAGGIO
PLYMOUTH
PONTIAC
PROTON
RAM
RAVON
RENAULT TRUCKS
ROLLS-ROYCE
ROVER
RUF
SATURN
SCION
SSANGYONG
TALBOT
TATA
TRIUMPH
UAZ
VOYAH
XPENG
ZASTAVA
ZAZ
ZEEKR
200 II
▼Year▼
216 GTi
▼
My Garage
Add to garage
My Garage
Empty
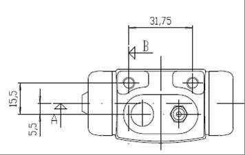
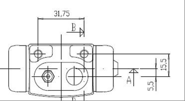
Wheel Cylinders, ROVER 200 II, 216 GTi 1990-1995, D 16 A9
- ROVER
- 200 II
- 1.6 216 GTi
- Brake System
- Frana-tambur
- Wheel Cylinders
Brake System
Frana-tambur
- Kit set
- Brake Lining, Shoe
- Brake Drum
- Wheel Cylinders
-
Wheel Brake Cylinder 102
Repair Kit 4
wheel brake cylinderBreather Screw / Valve 2
wheel brake cylinder - Handbrake
- Accessories
Manufacturer
Sort by:
Delivery time
▼
Lowest Price
Delivery time
Available
Rating
Products: 108
Filters


